| Sign In | Join Free | My brakesband.com |
|
Brand Name : ST
Model Number : STM32F030F4P6TR
Certification : ROHS
Place of Origin : PHILIPPINES
MOQ : 10PCS
Price : Negotiation
Payment Terms : T/T, Western Union
Supply Ability : 50000PCS/WEEK
Delivery Time : 2-3DAYS
Packaging Details : 2500PCS/BOX
Product Type : ARM Microcontroller-MCU
Installation style : SMD/SMT
Package / BoX : TSSOP-20
Core : ARM Cortex M0
Program memory size : 16 kB
Data bus width : 32 bit
ADC resolution : 12 bit
Maximum clock frequency : 48 MHz
Number of inputs/outputs : 15 I/O
Data RAM size : 4 kB
Operating power supply voltage : 2.4 V to 3.6 V
Package : Reel
Product : MCU
Program memory type : Flash
Data Ram type : SRAM
Interface type : I2C SPI USART
I/O voltage : 2.4 V to 3.6 V
Number of ADC channels : 11 Channel
Factory Pack Quantity : 2500
Watchdog Timer : Watchdog Timer, Windowed
Power supply voltage-maximum : 3.6V
Power supply voltage-minimum : 2.4V
STMicroelectronics STM32F030F4P6TR ARM Microcontrollers MCU Entry level ARM Cortex M0 Value MCU
Value-line Arm®-based 32-bit MCU with up to 256 KB Flash, timers,
ADC, communication interfaces, 2.4-3.6 V operation
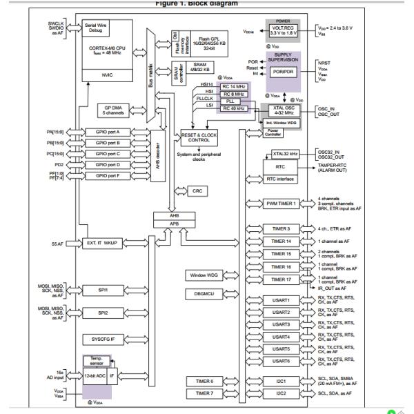
• Core: Arm® 32-bit Cortex®-M0 CPU, frequency
up to 48 MHz
– 16 to 256 Kbytes of Flash memory
– 4 to 32 Kbytes of SRAM with HW parity
• CRC calculation unit
• Reset and power management
– Digital & I/Os supply: VDD = 2.4 V to 3.6 V
– Analog supply: VDDA = VDD to 3.6 V
– Power-on/Power down reset (POR/PDR)
– Low power modes: Sleep, Stop, Standby
• Clock management
– 4 to 32 MHz crystal oscillator
– 32 kHz oscillator for RTC with calibration
– Internal 8 MHz RC with x6 PLL option
– Internal 40 kHz RC oscillator
• Up to 55 fast I/Os
– All mappable on external interrupt vectors
– Up to 55 I/Os with 5V tolerant capability
• 5-channel DMA controller
• One 12-bit, 1.0 µs ADC (up to 16 channels)
– Conversion range: 0 to 3.6 V
– Separate analog supply: 2.4 V to 3.6 V
• Calendar RTC with alarm and periodic wakeup
from Stop/Standby
• 11 timers
– One 16-bit advanced-control timer for
six-channel PWM output
– Up to seven 16-bit timers, with up to four
IC/OC, OCN, usable for IR control
decoding
– Independent and system watchdog timers
– SysTick time

The STM32F030x4/x6/x8/xC microcontrollers incorporate the high-performance Arm® Cortex®-M0 32-bit RISC core operating at a 48 MHz frequency, high-speed embedded memories (up to 256 Kbytes of Flash memory and up to 32 Kbytes of SRAM), and an extensive range of enhanced peripherals and I/Os. All devices offer standard communication interfaces (up to two I2Cs, up to two SPIs and up to six USARTs), one 12-bit ADC, seven general-purpose 16-bit timers and an advanced-control PWM timer. The STM32F030x4/x6/x8/xC microcontrollers operate in the -40 to +85 °C temperature range from a 2.4 to 3.6V power supply. A comprehensive set of power-saving modes allows the design of low-power applications. The STM32F030x4/x6/x8/xC microcontrollers include devices in four different packages ranging from 20 pins to 64 pins. Depending on the device chosen, different sets of peripherals are included. The description below provides an overview of the complete range of STM32F030x4/x6/x8/xC peripherals proposed. These features make the STM32F030x4/x6/x8/xC microcontrollers suitable for a wide range of applications such as application control and user interfaces, handheld equipment, A/V receivers and digital TV, PC peripherals, gaming and GPS platforms, industrial applications, PLCs, inverters, printers, scanners, alarm systems, video intercoms, and HVACs.


Q1. What is your terms of packing?
A: Generally, we pack our goods in neutral white boxes and brown cartons.
If you have legally registered patent, we can pack the goods in your branded boxes after getting your authorization letters.
Q2. What is your MOQ?
A: We provide you small MOQ for each item, it depends your specific order!
Q3. Do you test or check all your goods before delivery?
A: Yes, we have 100% test and check all goods before delivery.
Q4: How do you make our business long-term and good relationship?
We keep good quality and competitive price to ensure our customers benefit ;
We respect every customer as our friend and we sincerely do business and make friends with them,It's not something that can be replaced.
Q5: How to contact us?
A: Send your inquiry details in the below,Click "Send"Now!!!
Shenzhen Hongxinwei Technology Co., Ltd
To adopt new technology,to produce products of quality,to offer high-class service.
Improve the management system continuously to meet customer requirement for high-quality products and services.
Why choose us?
|
|
MCU Entry Level Cortex M0 Value STM32F030F4P6TR ARM Microcontrollers Images |